Horizontal Epoxy Lined Hot Water Tanks

Horizontal Epoxy Lined Tank

Product Photo (Click to View)

Technical Drawing

Technical Drawing (Click to View)
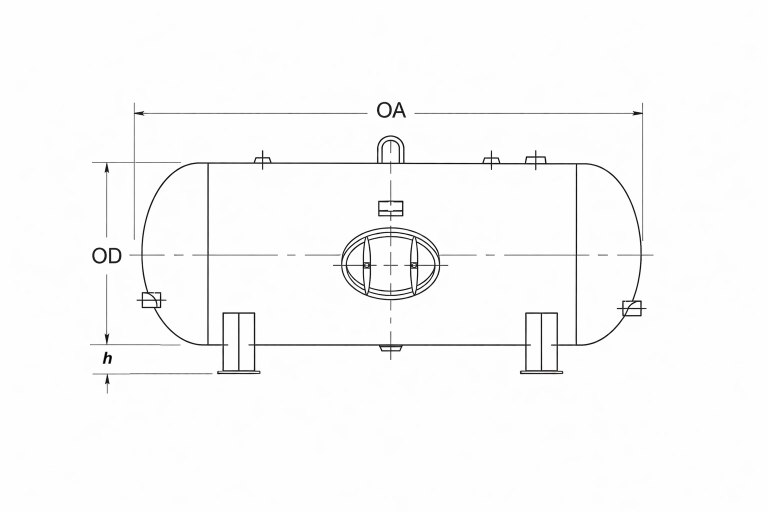
h = 6"

Standard Horizontal Epoxy Lined Hot Water Tanks

Our Horizontal Epoxy Lined Hot Water Storage Tanks are built in accordance with the requirements of the ASME Boiler and Pressure Vessel Code. The horizontal orientation is ideal for installation in areas with limited overhead clearance while maintaining large storage capacities.

  • Code Compliance:  ASME Section VIII Div 1.
  • Lining:  High-quality Epoxy Lining for corrosion protection.
  • Orientation:  Horizontal (Low profile).
  • Customization:  Saddles, manways, and custom nozzle locations available.

Dimensional Specifications

Part Number Capacity Size (OD x OA) Weight
HWH-140-30-160E140 Gallons30" x 52"360#
HWH-180-30-160E180 Gallons30" x 64"391#
HWH-235-30-160E235 Gallons30" x 84"524#
HWH-270-30-160E270 Gallons30" x 95"543#
HWH-305-36-160E305 Gallons36" x 77"606#
HWH-335-36-160E335 Gallons36" x 84"607#
HWH-400-36-160E400 Gallons36" x 99"730#
HWH-534-42-160E534 Gallons42" x 96"885#
HWH-660-42-160E660 Gallons42" x 120"1063#
HWH-712-48-160E712 Gallons48" x 100"1161#
HWH-800-48-160E800 Gallons48" x 111"1270#
HWH-900-48-160E900 Gallons48" x 123"1368#
HWH-1080-48-160E1080 Gallons48" x 148"1600#
HWH-1225-54-160E1225 Gallons54" x 134"1924#
HWH-1450-60-125E1450 Gallons60" x 128"2000#
HWH-1650-64-125E1650 Gallons64" x 130"2371#
HWH-1950-72-125E1950 Gallons72" x 123"2805#
HWH-2150-72-125E2150 Gallons72" x 135"3009#

Note: Dimensions are nominal and subject to change. Custom sizes, linings, and pressure ratings available on request.


Request a Quote